Durable purity for nomadic life.

How a simple idea became a solution for nomadic herders in the high plains.

Smart Backwashing Safe Water System for Plateau Pastoral Areas

This innovation precisely targets the infrastructure vacuum of safe drinking water at remote grazing sites in plateau pastoral areas. It addresses the fundamental problem of herders lacking access to safe, convenient drinking water during summer pasture production and daily life.

Device Appearance
Device Appearance

This patented structure uses a unique valve and pipeline layout to perform automated, sequential filter backwashing and complete system draining with a single user action. It solves the traditional trade-off between addressing clogging and preventing secondary contamination and freeze damage of stored water. This has a model utility patent and an invention patent.

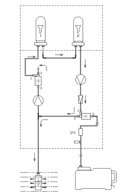
Device Principle
Device Backwashing Principle.

With automatic intelligent backwashing, our studies have shown that filter lifespan extended by 2.3 times (from 262L to >600L); turbidity removal rate of >95% (<1NTU); E. coli elimination of ≥99.99%; reliable from -20°C to 45°C with IP54 protection; filter cost reduction of >70%; more than 100L water production when charged full.

Life Span graph
Life-Span Graph
Filter Comparison
Filter Comparison

Main Features of the Device

Our innovation features a patented double-solenoid-powered backwash mechanism, using remaining water to wash residue, eliminating clogs and secondary contamination, as well as solar-powered dual-mode electric power, multi-parameter sensing, UV sterilization, and IoT connectivity, maximizing transparency, usability, and sustainability.

Device Appearance

How We Started

The team originated from a western pastoral area outreach and material donation initiative launched in 2021. Through over 18 donation activities, delivering more than 20,000 kilograms of supplies, and deep immersion in herder communities, members evolved from initial aid discovered the challenges of water safety in the area. A shared philanthropic vision and a profound understanding of the herders’ water safety challenges drove the formation of this interdisciplinary technology innovation team.

The Journey

From V1.0, a proof-of-concept, V2.0, integrating features and automating validation set, to V3.0, an engineering prototype specialized for the environment, we integrated generation-by-generation a patented waterway, control system, sensors, and solar-powered battery module, which verifies the complete process and logic correctness of gathering water, purification, intelligent backwashing, and expellation in a lab environment.

What We Ended Up With

For the core “filter clogging” issue, we designed strict comparative experiments. Under identical high-turbidity conditions (~100 NTU), we continuously monitored the flux decline of two identical filter sets—one with backwashing enabled, one without. Data from over 200 experiments clearly demonstrates the backwashing function's significant effect, quantitatively verifying the >2.3x filter life extension, leading to our product being incredibly durable.

Team Members

Team

Xiaotong Mi (CEO): leads our transition from on-ground public service to a sustainable technology venture and directs the patented water circuit design and prototype development.

Muyan Li (CFO): conducts financial modeling, budget allocation, and resource management, ensuring the economic viability.

Zhihan Dong & Yi Yi (CTOs): Jointly develop smart control systems and sensor debugging based on ESP8266; They design and execute critical experiments like filter cartridge lifespan comparisons.

Jingyi Qian (CMO): Manages user outreach and safety communication, ensuring designs are both usable and informed by frontline insights.